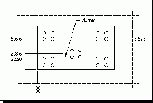
Если разрешено создание изломов выносных линий (в диалоговом окне Ordinate Dimensions включена опция Create Dogleg ), то при автоматическом образмеривании система сама создает изломы в нужных местах. Создание размеров начинается от начала координат. Обратите внимание на два нижеприведенных рисунка. Если при размещении очередного размера его текст накладывается на текст другого размера (смотрите первый рисунок), то строится излом в сторону от начала координат. Все изломы строятся на расстоянии 20% от полной длины выносной линии (смотрите второй рисунок).

Наложение размеров

Излом строится для предотвращения наложения размеров